
Module Performance
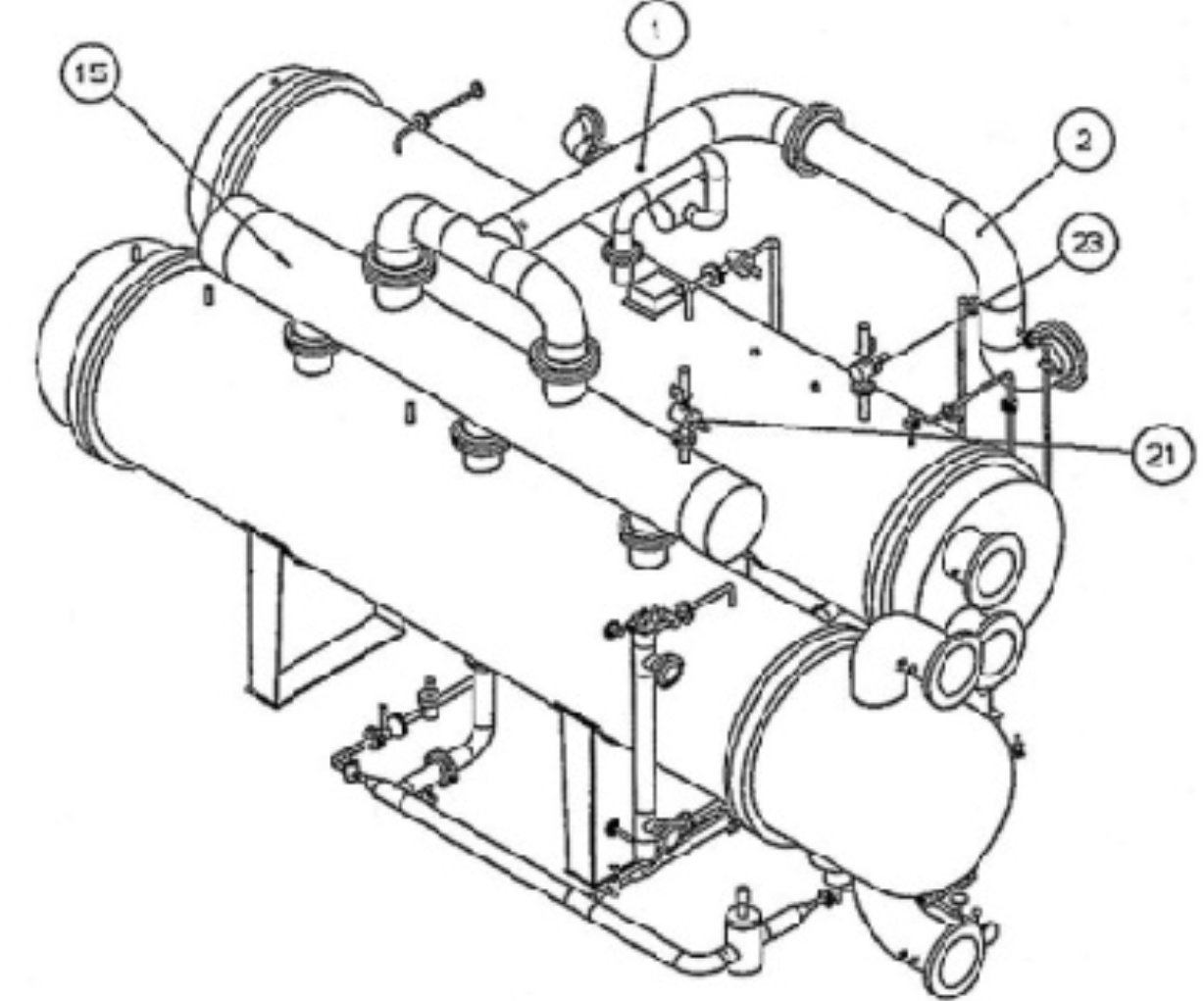
Brine Chiller Skids Design & Fabrication
- Design and manufacture: 56 heat exchangers and pressure vessels, piping, and instrumentation.
- Delivery contents: 7-unit module
Ming Rong Yuan Business Co., Ltd.

Yuan Shang Engineering Co., Ltd.
Copyright © 1982-2025 Ming Rong Yuan Business Co., Ltd. All rights reserved.